| 產品描述 | 技術參數 | 包裝參數 | 技術文檔 | |||
|
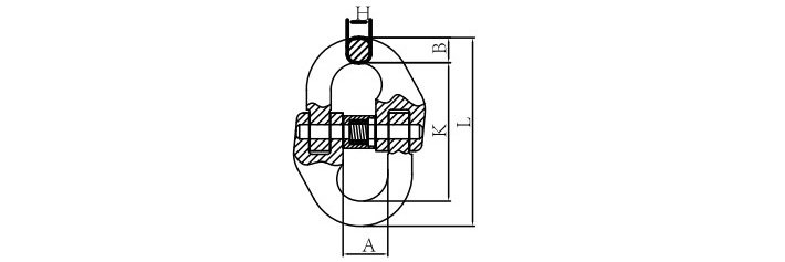
【產品名稱】80級雙環扣SLR-074(G80雙環扣) 【產品品牌】龍升牌 【產品保質】保質期6個月 【是否現貨】現貨供應 【是否定制】可供應不銹鋼雙環扣 【分類】80級索具配件 【用途】 ● 與EN818-2標準80級鏈條配合使用; ● 80級雙環扣SLR074與G80眼型鉤或則G80旋轉鉤連接。
【產品優點】 ● 80級雙環扣SLR074采用高強度高韌性特殊合金鋼鍛造而成,熱處理加工工藝,強度高,壽命長; ● SLR074-G80雙環扣,破斷拉力是工作拉力的4倍,操作安全; ● 80級雙環扣表面處理,噴塑; ● 80級雙環扣SLR074采用醒目的紅色或黃色。
【產品檢測】 ● 80級雙環扣逐漸按工作拉力的2.5倍進行驗證測試; ● SLR074雙環扣抽樣進行20000次疲勞測試; ● 針對于每一批次的80級雙環扣進行嚴格的抽樣破斷測試;
|
||||||
|
相關產品
|
|
|







