| 產品描述 | 技術參數 | 包裝參數 | 技術文檔 | |||
|
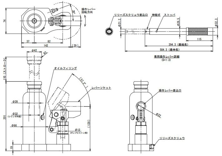
ED-40C無塵室液壓千斤頂介紹
ED-40C無塵室液壓千斤頂是“ED-40液壓千斤頂”定制產品,表面不涂裝油漆,專為食品廠、電子精密設備車間等無塵環境設計,可橫向使用!
【產品名稱】EAGLE JACK ED-40C無塵室液壓千斤頂 【產品品牌】日本EAGLE JACK 【產品規格】ED-40C無塵室液壓千斤頂(載荷4噸) 【產品保質】保質期1年 【是否現貨】 【是否定制】可按需定制 【典型應用】主要用于無塵室(潔凈室)、食品車間、電子精密設備起頂、半導體、醫療設備、液晶面板制造、核電等場合設計
EAGLE JACK ED-40C無塵室液壓千斤頂為日本原裝進口產品,保質1年,我公司承諾凡是客戶在我公司定購的進口類產品均為原裝正品,絕不存在拆件貨,換件貨,假冒品牌產品,凡客戶從我公司定購EAGLE JACK產品如收到貨物時發現有拆件貨,換件貨,假冒、假貨仿貨均以100倍金額賠償。
ED-40C無塵室液壓千斤頂特點 ●ED-40C無塵室液壓千斤頂“快速起升設計”,液壓油量增大,減少壓桿次數,提高工作效率; ●ED-40C無塵室液壓千斤頂“旋轉式手柄插座及插孔”,可以從各種角度方向操作,有效騰出空間,小范圍靈活操作,左右手均可操作; ●ED-40C無塵室液壓千斤頂“活塞部分采用電鍍加工”,采用耐磨損、防銹的高強度鉻,主軸光滑,防止生銹和變形,多年使用不會發生變化; ●ED-40C無塵室液壓千斤頂“可橫向使用”,揚程根據設置角度在60%~95%可使用;
●ED-40C無塵室液壓千斤頂“防過載安全閥設計”,超載停止起升下降,操作安全; ●ED-40C無塵室液壓千斤頂“高度限位控制”,有效避免千斤頂超行程使用,避免發生危險。
|
||||||
|
相關產品
|











