| 產品描述 | 技術參數 | 包裝參數 | 技術文檔 | ||||
|
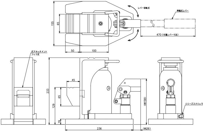
GW-60多段爪式千斤頂介紹
GW-60多段爪式千斤頂,在普通爪式千斤頂達不到要求的行程,而頭部頂升因高度限制不能頂升的狀況下使用。 【產品名稱】EAGLE JACK GW-60多段爪式千斤頂 【產品品牌】日本EAGLE JACK 【產品規格】GW-60多段爪式千斤頂(爪載荷1.5噸,頭部載荷6噸) 【產品保質】保質期12個月 【是否現貨】現貨供應 【是否定制】提供按需定制 【產品分類】 【典型應用】在普通爪式千斤頂達不到要求的行程時選用進行設備起頂、防災救援用工具,符合重工業基本要求
GW-60多段爪式千斤頂質保 EAGLE JACK GW-60多段爪式千斤頂為日本原裝進口產品,保質1年,我公司承諾凡是客戶在我公司定購的進口類產品均為原裝正品,絕不存在拆件貨,換件貨,假冒品牌產品,凡客戶從我公司定購EAGLE JACK產品如收到貨物時發現有拆件貨,換件貨,假冒、假貨仿貨均以100倍金額賠償。
GW-60多段爪式千斤頂優勢 【有效增加爪部頂升行程】GW-60多段爪式千斤頂增加補助部分,提高有效行程,滿足更多場合需求; 【補助部分可拆卸】GW-60多段爪式千斤頂拆掉補助塊,可以當做標準爪式千斤頂使用,一物兩用; 【可橫向使用】GW-60多段爪式千斤頂可以橫向作業。
GW-60多段爪式千斤頂其他特點: ●一體成型爪部,承載不易斷裂;主軸光滑鍍鉻電鍍加工,長時間使用不變形不漏油; ●旋轉式手柄插座,GW-60多段爪式千斤頂可以各種角度方向進行操作,有效騰出空間; ●液壓油流量增大設計,減少壓桿次數,省時省力; ●防超載安全閥和高度限位裝置,避免超載、超揚程使用,安全系數高;
![]() |
|||||||
|
相關產品
|












