| 產品描述 | 技術參數 | 包裝參數 | 技術文檔 | ||||
|
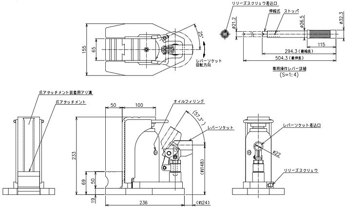
GU-60多段爪式千斤頂介紹
【產品名稱】 【產品品牌】日本EAGLE JACK 【產品規格】GU-60多段爪式千斤頂(爪載荷3T,頭部載荷6T) 【產品保質】保質期12個月 【產品目錄】多段爪式千斤頂 【是否定制】可定制無塵型千斤頂 【典型應用】標準千斤頂達不到起升高度要求的場合用于設備頂升、防災救援等 【產品視頻】GU-60鷹牌多段爪式千斤頂視頻 GU-60多段爪式千斤頂質保 EAGLE JACK GU-60多段爪式千斤頂為日本原裝進口產品,保質1年,我公司承諾凡是客戶在我公司定購的進口類產品均為原裝正品,絕不存在拆件貨,換件貨,假冒品牌產品,凡客戶從我公司定購EAGLE JACK產品如收到貨物時發現有拆件貨,換件貨,假冒、假貨仿貨均以100倍金額賠償。
GU-60多段爪式千斤頂優勢 ●GU-60多段爪式千斤頂采用補助爪及滑道式設計,爪位可按需調節,適用高度范圍廣,應用場合多; ●GU-60多段爪式千斤頂可橫向使用;
●GU-60多段爪式千斤頂補助爪可拆卸,作為標準型千斤頂使用; ●GU-60多段爪式千斤頂的主軸光滑,高強度鉻電鍍加工,使用多年不變形不漏油; ●GU-60多段爪式千斤頂,旋轉式液壓插座,各種角度操作; ●GU-60多段爪式千斤頂防超載安全閥、高度限位裝置,作業更安全;
【EAGLE JACK GU-60多段爪式千斤頂實物圖片一】
【EAGLE JACK GU-60多段爪式千斤頂實物圖片二】
【EAGLE JACK GU-60多段爪式千斤頂實物細節圖片】 |
|||||||
|
相關產品
|













