| 產品描述 | 技術參數 | 包裝參數 | 技術文檔 | |||||
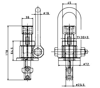
【產品名稱】SATO型鷹牌建筑工程用夾鉗(吊孔專用夾具) 【產品品牌】日本鷹牌·EAGLE CLAMP 【使用載荷】750kg 【產品保質】保質期12個月 【具體應用】用于使用螺栓孔吊起,例如梁鋼法蘭,腹板和固定材料、鋼框架、鋼結構等
●專用的吊孔夾具,可以從工作場所的吊物外部牢固地擰緊。 ●通過擰緊主體螺栓,可以無間隙地牢固安裝。 ●可以在不接觸螺栓孔背面的情況下擰緊和提起螺栓。 |
||||||||
|
相關產品
|









