| 產品描述 | 技術參數 | 包裝參數 | 技術文檔 | |||||
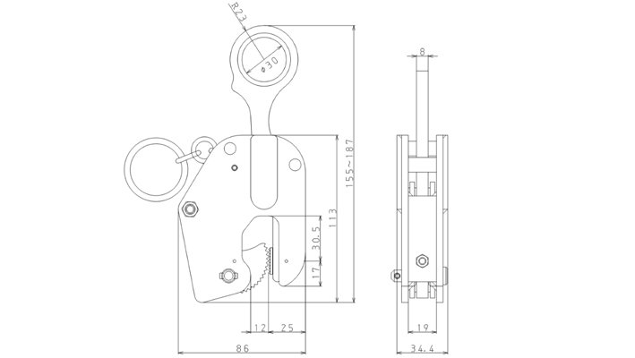
【產品名稱】LV型鷹牌豎吊鋼板起重鉗 【產品品牌】日本EAGLE CLAMP鷹牌 【產品規格】10~100kg 【產品保質】保質期12個月 【用途】適用鋼材類的吊裝,搬運,反轉,焊接,組裝,搭建,加工等 【適用鋼材】鋼板,形鋼,H形鋼,I形鋼,L形鋼,溝形鋼,山形鋼,吊車梁,鋼結構,橋梁,鋼梁,鋼框架,鋼骨等。
LV型鷹牌豎吊鋼板起重鉗產品介紹
●LV型鷹牌豎吊鋼板起重鉗載荷10~100kg,常用于輕量級物料、鋼板的吊裝作業; ●LV型鷹牌豎吊鋼板起重鉗擁有自動緊固機構以及鎖存式鎖定裝置,懸掛作業安全穩定; ●此款豎吊鋼板起重鉗表面采用烤漆(環氧樹脂漆),并進行長時間高溫淬火鍛造特殊合金鋼凸輪,且擁有高抗拉強度鋼材本體,堅固、耐磨損、使用壽命長! ●LV型鷹牌豎吊鋼板起重鉗的圓形旋轉鉗口可牢牢抓住懸掛負載,特殊鉗口不易劃傷鋼板; 溫馨提示:如您想需要更大載荷的豎吊鋼板起重鉗,選型參考:豎吊鋼板起重鉗 |
||||||||
|
相關產品
|









