| 產品描述 | 技術參數 | 包裝參數 | 技術文檔 | |||||||
|
手拉式重型電動牽引車基本介紹 LHET手拉式重型電動牽引車是負載移動理想解決方案,用于車間內外大批貨物的運輸、流水線物料的搬運、移動裝卸注塑模具、大型工廠區間物料搬運,可以解決不同區間物料的高效運輸,提高操作效率,減少人工搬運,在多個行業推動精益制造。 【產品名稱】手拉式重型電動牽引車 【產品品牌】龍升品牌 【產品質?!勘Y|12個月 【產品規格】6噸、8噸、10噸 【應用領域】機場、碼頭、物流、超市、車站、酒店、工廠車間、汽車制造、制藥車間、航空航天等領域 【產品目錄】重型電動牽引車
手拉式重型電動牽引車質保 龍升手拉式重型電動牽引車屬于煙臺開發區龍海起重工具有限公司旗下品牌產品,產品保質周期為12個月(易損件除外),在產品保質周期內正常使用的情況下出現的質量問題,我公司可提供免費維修、免費更換配件、如因質量問題維修或更換配件仍然不能達到正常使用,可免費更換主機(產品附件以及易損件除外)由此產生的運輸,維修費用由我公司承擔。非質量問題我公司將收費處理,所產生的運輸、維修等費用由客戶承擔。 注意:不論產品出現上述那種問題,客戶需要提供清楚的故障視頻以及產品故障圖片,并說明使用方式。
手拉式重型電動牽引車使用優勢 ●LHET手拉式重型電動牽引車有電機驅動,電瓶不會產生污染物,節能環保,整體使用成本低,物流領域尤為適用; ●LHET手拉式重型電動牽引車可在室內或室外使用,包括在斜坡上和不太理想的地面上均可使用; ●單人可操作LHET手拉式重型電動牽引車輕松推拉幾噸重物,轉向靈活方便; ●LHET手拉式重型電動牽引車的多功能把手符合人體工程學設計,握感舒適,防滑; ●LHET手拉式重型電動牽引車噪音低小于70分貝,因此能夠在對噪音和振動要求較高的場所內使用,例如高科技工廠車間、醫院等;
LHET手拉式重型電動牽引車使用案例圖
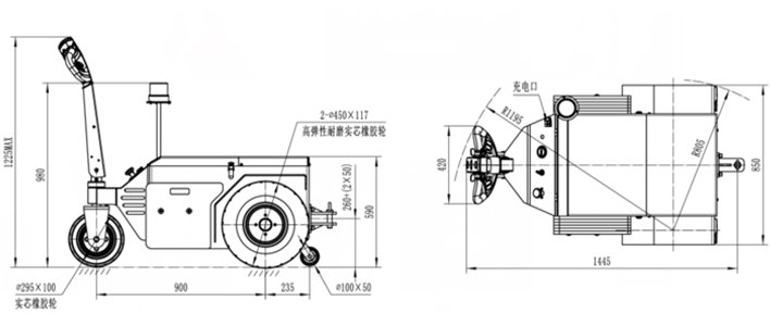
手拉式重型電動牽引車標準配置
●LHET手拉式重型電動牽引車設有電池電量電壓顯示屏,小時計,觀察方便; ●為了安全性考慮,LHET手拉式重型電動牽引車設有急停開關、警示燈等安全裝置; ●LHET手拉式重型電動牽引車輪子為橡膠實心胎,維修工作量小,不需充氣,無漏氣和爆胎隱患,有無痕實心胎可選; ●LHET手拉式重型電動牽引車選用美國CURTIS控制器,動力強勁; ●LHET手拉式重型電動牽引車配備智能充電器以及免維護蓄電池,使用安全,續航時間長 ●手拉式重型電動牽引車其他配置:鑰匙開關、插銷掛具
手拉式重型電動牽引車可選配置 ●無痕實心胎 ●磷酸鐵鋰電池 ●無線遙控 ●定制掛具:LHET電動牽引車可根據客戶現場需求設計定制掛具
|
||||||||||
|
相關產品
|












