| 產品描述 | 技術參數 | 包裝參數 | 技術文檔 | |||||||
|
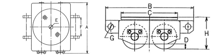
DUW-PS直行搬運小坦克介紹 【產品名稱】DUW-PS直行搬運小坦克 【產品品牌】日本DAIKI品牌 【產品質保】保質1年 【產品規格】5噸、10噸 【產品來源】直行搬運小坦克
DUW-PS直行搬運小坦克質保 日本DAIKI DUW-PS直行搬運小坦克為日本原裝進口產品,保質1年,我公司承諾凡是客戶在我公司定購的進口類產品均為原裝正品,絕不存在拆件貨,換件貨,假冒品牌產品,凡客戶從我公司定購日本DAIKI品牌產品如收到貨物時發現有拆件貨,換件貨,假冒、假貨仿貨均以100倍金額賠償。
DUW-PS直行搬運小坦克優勢 ●DUW-PS直行搬運小坦克配有8個坦克輪子,方向轉換時可以更加平穩地進行運輸,和DUW-P直行搬運小坦克(低型)相比,搬運阻力減半,搬運更加省力; ●DUW-PS直行搬運小坦克采用超低型設計,車體底盤低,適合用于高度較低的作業場所; ●DUW-PS直行搬運小坦克采用高品質聚氨酯輪,擁有良好的承載能力,耐磨,使用壽命長,不傷地面; ●DUW-PS直行搬運小坦克帶有轉盤設計,轉盤中心有螺栓固定,與重物固定更加容易,可有效防止滑脫已發的危險;
|
||||||||||
|
相關產品
|










