| 產品描述 | 技術參數 | 包裝參數 | 技術文檔 | |||||||||||
|
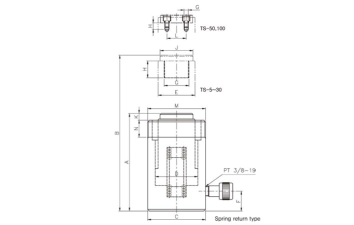
TECPOS TS單作用分離式千斤頂介紹 【產品名稱】TECPOS TS單作用分離式千斤頂 【產品規格】5噸~100噸 【產品品牌】韓國TECPOS品牌,擁有20年以上豐富的經驗和技術 【產品應用】造船、鐵路、橋梁建設、航空航天工業、挖掘、采礦等 【產品行程】50~200mm 【產品壓力】700 Bar TECPOS TS單作用分離式千斤頂的液力偶合器3/8“ PT,泵使用30%以上的油缸容量。更多產品選型可以訪問:分離式千斤頂
TECPOS TS單作用分離式千斤頂質保 TECPOS TS單作用分離式千斤頂為韓國原裝進口產品,保質1年,我公司承諾凡是客戶在我公司定購的進口類產品均為原裝正品,絕不存在拆件貨,換件貨,假冒品牌產品,凡客戶從我公司定購韓國TECPOS產品如收到貨物時發現有拆件貨,換件貨,假冒、假貨仿貨均以100倍金額賠償。
TECPOS TS單作用分離式千斤頂型號 TS-55、TS-510、TS-515、TS-520、TS-105、TS-1010、TS-1015、TS-1020、TS-255、TS-2510、TS-2515、TS-2520、TS-305、TS-3010、TS-3015、TS-3020、TS-505、TS-5010、TS-5015、TS-5020、TS-10010、TS-10015
|
||||||||||||||
|
相關產品
|













