| 產品描述 | 技術參數 | 包裝參數 | 技術文檔 | |||
|
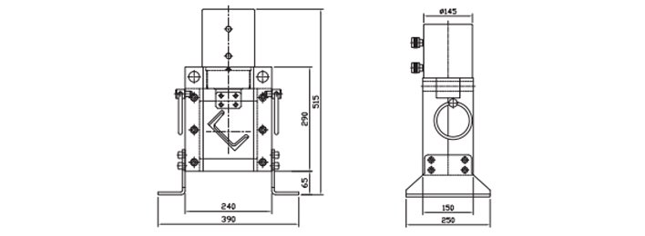
DCC-100槽鋼切割機介紹 【產品名稱】DCC-100槽鋼切割機 【產品品牌】韓國Tonners品牌入駐龍海起重工具 【產品規格】60噸,管路100 x 50 x 5T x 7.5T 【產品質保】保質12個月
DCC-100槽鋼切割機優勢 ●DCC-100槽鋼切割機載荷60噸,自重90kg; ●DCC-100槽鋼切割機主要用于切割管路; ●DCC-100槽鋼切割機無需二次加工處理,切割部分干凈整潔,材料損耗少; |
||||||
|
相關產品
|










