| 產品描述 | 技術參數 | 包裝參數 | 技術文檔 | |||
|
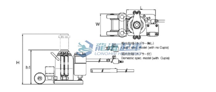
【產品名稱】MASADA氣動液壓千斤頂 【產品品牌】日本MASADA 【產品保質】12個月 【典型應用】適用于大型巴士、汽車等設備維修、維護。
MASADA氣動液壓千斤頂質保: MASADA氣動液壓千斤頂從2024年10月份該型號產品為國產化,品質不變,交貨周期短,售后響應及時!保質1年,在產品保質周期內正常使用的情況下出現的質量問題,我公司可提供免費維修、免費更換配件、如因質量問題維修或更換配件仍然不能達到正常使用,可免費更換主機(產品附件以及易損件除外)由此產生的運輸,維修費用由我公司承擔。非質量問題我公司將收費處理,所產生的運輸、維修等費用由客戶承擔。
MASADA氣動液壓千斤頂優勢: MASADA氣動液壓千斤頂為氣動驅動式,可單手操作; MASADA氣動液壓千斤頂機身小巧,便于外出攜帶使用; MASADA氣動液壓千斤頂廣泛用于汽車維修、建筑工地、工業機械等; MASADA氣動液壓千斤頂設有兩根復位彈簧,自動復位,下降速度快。 |
||||||
|
相關產品
|









