| 產品描述 | 技術參數 | 包裝參數 | 技術文檔 | |||||||
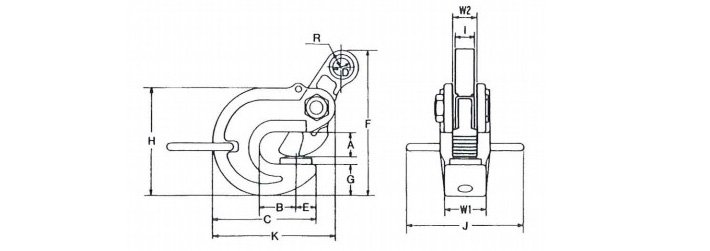
【產品名稱】VAN型橫吊鋼板鉗 | VANL型橫向起吊用夾鉗 【產品品牌】日本·鷹牌(EAGLE CLAMP) 【產品規格】1T | 2T 【產品保質】保質期12個月 【是否現貨】現貨供應 【吊裝分類】橫吊夾具,H鋼用夾具 【產品用途】橫吊、水平吊、運輸、反轉、旋轉、焊接、組裝、搭載、沖壓加工、彎曲加工 【適用鋼材】型鋼(角鋼·槽鋼?I型鋼?H型鋼)?鋼骨·橋梁、鐵鋼構物·鋼板、鋼制梁、鋼制框架?造船用材料、吊車梁等
● 鷹牌VAN·VANL型橫吊鋼板鉗采用特殊合金鋼鍛造本體,輕量型鋼板鉗; ● 鷹牌VAN型橫吊鋼板鉗內部裝有鎖簧; 鷹牌VANL型橫向起吊用夾鉗附帶釋放鎖定裝置; ● 鷹牌VAN·VANL型橫吊鋼板鉗結構簡單,操作方便; ● 鷹牌VAN型橫吊鋼板鉗采用高周波淬火工藝的特殊合金鋼制凸輪; ● 鷹牌VANL型橫向起吊用夾鉗平衡負載的2倍以上的力量緊固,夾緊力隨載荷增加而成比例增強,擁有吊載荷的強大自動緊固機構; ● 鷹牌VAN·VANL型橫吊鋼板鉗鍍鋅工藝。
【鷹牌VAN·VANL橫吊鋼板鉗使用示意圖】
|
||||||||||
|
相關產品
|










