| 產品描述 | 技術參數 | 包裝參數 | 技術文檔 | |||||||||
|
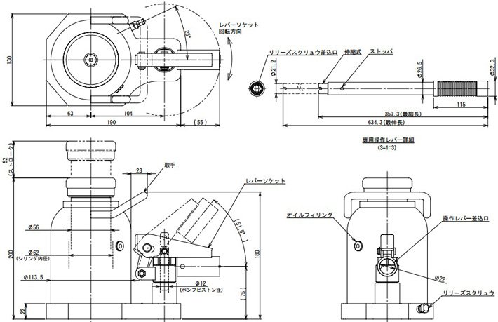
ED-200T低型液壓千斤頂,是日本EAGLE JACK今野制作所株式會社生產制造,本體高度低,低型便攜式設計,質量高端,由龍海起重代理銷售! 【產品名稱】EAGLE JACK ED-200T低型液壓千斤頂 【產品品牌】日本EAGLE JACK 【產品規格】ED-200T低型液壓千斤頂(載荷20噸,行程52mm) 【產品保質】保質期12個月 【是否現貨】現貨供應 【是否定制】提供定制服務,同時可定制“鷹牌無塵室用低型液壓千斤頂ED-200TC” 【典型應用】非常適合高度受限的狹窄場合使用,例如狹小空間重型機械頂升;精密機械工作定心調整;鐵路養護;救災救援等
EAGLE JACK ED-200T低型液壓千斤頂為日本原裝進口產品,保質1年,我公司承諾凡是客戶在我公司定購的進口類產品均為原裝正品,絕不存在拆件貨,換件貨,假冒品牌產品,凡客戶從我公司定購EAGLE JACK產品如收到貨物時發現有拆件貨,換件貨,假冒、假貨仿貨均以100倍金額賠償。
●【低型設計】ED-200T低型液壓千斤頂本體采用低型設計,適合高度受限的狹窄場合使用; ●【可橫向使用】ED-200T低型液壓千斤頂可橫向使用,操作方便。
●【起升速度快】ED-200T低型液壓千斤頂,壓桿時液壓流量大,頂升速度快壓桿次數少,省時省力; ●【活塞鍍鉻,電鍍加工】ED-200T低型千斤頂油缸活塞光滑、防銹防腐蝕,多年使用不變形,不漏油; ●【旋轉壓桿】ED-200T低型千斤頂,壓桿插孔可左右旋轉,可在千斤頂后方有障礙物或狹窄地方使用;
●【防超載安全閥】ED-200T低型千斤頂,設有安全閥裝置,防止超載使用,確保頂升作業安全; ●【高度限位裝置】ED-200T低型千斤頂設高度限位裝置,防止超行程使用,安全系數高;
|
||||||||||||
|
相關產品
|














