| 產品描述 | 技術參數 | 包裝參數 | 技術文檔 | |||
|
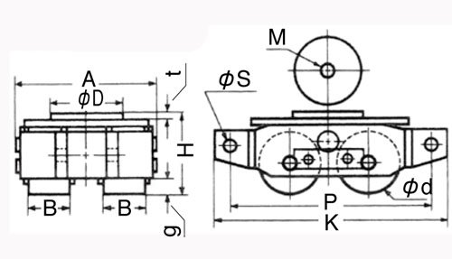
【產品名稱】WB型TIRROLLER搬運小坦克(日本TIR搬運小坦克) 【產品品牌】日本TIR ROLLER品牌 【產品規格】2T、3T、5T 【產品保質】保質期12個月 【是否現貨】根據庫存 【典型應用】 工廠設備的組裝、搬運、搬出,工廠布局的變更,電子科技、設備制造等的移動、安裝
WB型TIRROLLER搬運小坦克質保 日本TIRROLLER WB型搬運小坦克為日本原裝進口產品,保質1年,我公司承諾凡是客戶在我公司定購的進口類產品均為原裝正品,絕不存在拆件貨,換件貨,假冒品牌產品,凡客戶從我公司定購日本TIRROLLER品牌產品如收到貨物時發現有拆件貨,換件貨,假冒、假貨仿貨均以100倍金額賠償。
WB型TIRROLLER搬運小坦克特點 ●WB型TIRROLLER搬運小坦克輪子更厚,可在凹凸路面平穩的進行搬運 ●WB型TIRROLLER搬運小坦克采用聚氨酯膠輪,可在鋼板路和混凝土路面使用 ●日本TIR搬運小坦克對凹凸和傾斜的設計,可以在4°斜坡正常使用 ●日本TIR搬運小坦克采用鋼制表面,使用壽命長
|
||||||
|
相關產品
|









