| 產品描述 | 技術參數 | 包裝參數 | 技術文檔 | |||
|
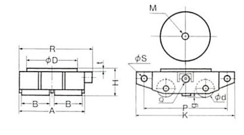
WJ型TIR搬運小坦克產品特點 【產品名稱】WJ型TIR搬運小坦克(日本進口搬運小坦克) 【產品品牌】日本TIR ROLLER品牌 【產品規格】5T、10T 【產品保質】保質期12個月 【是否現貨】根據庫存 【典型應用】
WJ型TIR搬運小坦克質保 日本TIRROLLER WJ型搬運小坦克為日本原裝進口產品,保質1年,我公司承諾凡是客戶在我公司定購的進口類產品均為原裝正品,絕不存在拆件貨,換件貨,假冒品牌產品,凡客戶從我公司定購日本TIRROLLER品牌產品如收到貨物時發現有拆件貨,換件貨,假冒、假貨仿貨均以100倍金額賠償。
WJ型TIR搬運小坦克特點 ●WJ型TIR搬運小坦克采用輕量設計,體積小,承載能力強 ●日本TIRROLLER搬運小坦克本體中間的承載板里設計有液壓千斤頂,方便轉向調整方向 ●日本進口搬運小坦克可以連接單作用手動泵使用,壓力為700kg/cm2 ●WJ型TIRROLLER搬運小坦克可以多臺組合使用,搬運大型設備
|
||||||
|
相關產品
|









