| 產品描述 | 技術參數 | 包裝參數 | 技術文檔 | |||
|
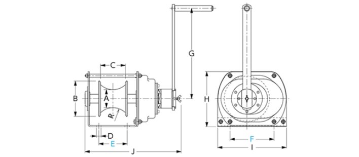
FUJI LHW型手搖絞盤簡介 【產品名稱】FUJ ILHW型手搖絞盤 【產品品牌】日本FUJI 【產品規格】100kg~2.1T 【產品保質】保質期12個月 【產品來源】手搖絞盤
FUJI LHW型手搖絞盤優勢 ●FUJI LHW型手搖絞盤設計有手柄鎖; ●對于不停的滑動,由于負載在兩端,機械剎車會停止,FUJI LHW型手搖絞盤手柄鎖正好解決了這個問題,阻止負載的兩個方向上移動; ●FUJI LHW型手搖絞盤采用特殊壓制工藝,完全呈現出U字形,不像其他公司生產的手搖絞盤帶有凹槽,避免了繩子纏繞和受損的情況。
LHW型FUJI手搖絞盤應用 ●LHW型FUJI手搖絞盤可以用于移動推車,打開/關閉帳篷、窗簾、拱廊、懸掛/落下安全網等; ●LHW型FUJI手搖絞盤在無限循環作業中可以使用; ●LHW型手搖絞盤可以用于車輛的橫拉等各種用途。
FUJI LHW型手搖絞盤操作方法 將LHW型手搖絞盤手柄向本體側面推入,把棘輪六角部分插入12角孔選擇板中,然后拉緊制動器。如果將手柄拉到跟前的話,棘輪也會一起被拉出來,左右旋轉手柄,手柄可以用螺釘自由調整長度。
|
||||||
|
相關產品
|










