?
  • 免費訂購熱線,周一至周日8:00到17:30
  • 0535-6106706/155-5225-9281

搜索熱門:按產品名稱


正品保障 假一賠百 7天退還

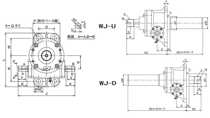
WJ型標準蝸輪千斤頂

訂貨號:WJ-U,WJ-D
原始型號:WJ-U,WJ-D
品牌:日本OJ機械千斤頂
品牌所屬地:日本

價格:詢價

發貨周期:現貨24小時內發貨
最小訂貨量:1

在線咨詢:1445813143

全國訂購服務免費熱線:0535-6106706  15552259281

產品描述   技術參數   包裝參數   技術文檔
 

    日本OJ WJ型標準蝸輪千斤頂包括兩種產品:WJ-U型標準蝸輪千斤頂、WJ-D型標準蝸輪千斤頂,技術參數保持一致,適用于精密機械微調整等,是應用范圍廣泛的小型起重工具。

WJ型蝸輪千斤頂介紹: 

 

【產品名稱】WJ型標準蝸輪千斤頂

【產品品牌】日本OJ大阪千斤頂(OSAKA JACK

【產品規格】1T~100T

【產品保質】保質期12個月

【是否現貨】部分型號有庫存

【典型應用】適合用于移動和抬起重物;可用于均調整或微移動,如精密機械;應用范圍廣泛,從軋鋼重型機械到造紙精密機械

 

【產品特點】

● WJ型標準蝸輪千斤頂主要用于推升負載

● 拉力為推力的1/2,WJ01 和 WJ02的推力和拉力是一樣的;

● WJ型蝸輪千斤頂可提供結合兩個或多個千斤頂的操作,即使在不同的負載下,也可提供同步運行;

● WJ型蝸輪千斤頂可根據實際應用選擇驅動源,按手動,電動,空氣馬達操作;

● WJ型標準蝸輪千斤頂安全保持負載,因為負載配備螺桿可以自我保持;

● 日本OJ WJ型蝸輪千斤頂小小的旋轉力可提供大的推拉力,小巧便攜;

● WJ標準型蝸輪千斤頂精密加工的蝸桿齒輪,光滑順暢,上下運動平穩;

● WJ型蝸輪千斤頂附有防止螺旋旋轉的鍵

 

溫馨提示:我公司同時提供“WJN移動型蝸輪千斤頂”,詳情可咨詢龍海起重曲經理

 

相關產品
?