| 產品描述 | 技術參數 | 包裝參數 | 技術文檔 | |||
|
【產品名稱】PR型標準蝸輪千斤頂(下壓式) 【產品品牌】日本OJ大阪千斤頂(OSAKA JACK) 【產品規格】5T~100T 【產品保質】保質期12個月 【是否現貨】部分型號有庫存 【典型應用】最適合用于移動和抬起重物;可用于均調整或微移動,如精密機械;應用范圍廣泛,從軋鋼重型機械到造紙精密機械
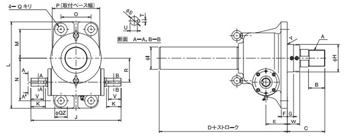
【PR型標準輪千斤頂結構圖】
【產品特點】 ● PR型標準蝸輪千斤頂僅用于下壓負載; ● 拉起能力是下壓能力的的1/2; ● PR型標準蝸輪千斤頂可提供結合兩個或多個千斤頂的操作; ● PR型下壓式蝸輪千斤頂即使在不同的負載下,也可提供同步運行; ● 日本OJ下壓式蝸輪千斤頂可根據實際應用選擇按手動,電動,空氣馬達操作; ● PR型蝸輪千斤頂安全保持負載,因為負載配備螺桿可以自我保持; ● 日本OJ PR型蝸輪千斤頂小小的旋轉力可提供大的推拉力,小巧便攜; ● PR型標準蝸輪千斤頂精密工作的蝸輪促使平穩地上下運行; ● PR型蝸輪千斤頂附有防止螺旋旋轉的鍵;
溫馨提示:我公司同時提供“PRN移動型蝸輪千斤頂”,詳情可咨詢龍海起重曲經理 |
||||||
|
相關產品
|










